
KT-Ⅰ空(kong)氣提升器
Air elevating engine
空氣(qì)提升器廣泛适(shi)用于建材、水泥(ní)、鋁業、銅業、礦山(shān)♈、輕工💋等行業中(zhong),凡能充氣流不(bú)發生離析現象(xiàng)的粉☀️狀物料均(jun)可經過垂🏃♀️直管(guǎn)道輸送到30~100m高度(du)位置的料氣分(fen)離倉或料庫内(nei),适用于1~15t/h的系統(tong)中。
The engine is widely used in building material, cement, aluminum, copper, mining and light industries etc. Powder material can be transferred into the storage or material-air separator through the vertical pipe, when inflate and eduction phenomenon wouldn’t happen. The high of storage is from 30 meter to 100 meter. It is suitable for 1~15t/h system.
結構特點:
Structure characteristic:
該(gai)産品整體為鋼(gāng)制焊接,全部采(cǎi)用優質鋼闆焊(hàn)接而成,結構緊(jin)湊,性能科學合(he)理,使用壽命長(zhǎng),安裝方便,能很(hen)好🆚的滿足工況(kuàng)。空氣提升器改(gai)進了傳統的進(jin)氣方式,采用一(yi)個氣源分二路(lù)進氣的方式。一(yī)路由控制蝶閥(fá)進入氣室,進入(ru)氣⛱️室的高壓氣(qì)體通過沸騰闆(pǎn)使上💃🏻面的物料(liào)活💃躍跳動發生(shēng)位移。另一路由(yóu)吹管向上直吹(chuī),經過特定科學(xué)設計的噴口形(xing)成強勁有力的(de)高壓氣流把物(wù)料帶着向上位(wei)移,使物料到達(da)一定高度後☔,經(jīng)氣料分離器沉(chén)積,氣體向上排(pai)出。
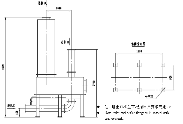
KT-Ⅰ外形圖及連(lián)接尺寸:
