
FBF-Ⅰ Ⅱ 防爆閥
ANTI-EXPLODING VALVE
The valve is widely used in building material, metallurgy, chemical, electric power industries. It is the discharging pressure device in pipe system of compressed, easy-exploding gas.
結(jie)構特點:
Structure characteristic:
防爆閥結(jié)構簡單,由鋼制焊(han)接筒體和防爆閥(fa)片組成。當系統壓(yā)力大于0.1MPa表壓力時(shi),防爆閥片自行破(pò)裂,防止💃系統發生(shēng)爆炸,以保證生産(chǎn)和人身安全。
性能(neng)參數:
Performance parameter:
使用壓(yā)力 Using pressure | 适用溫度(dù) Suitable temperature | Suitable medium |
≤0.1MPa | 80℃ |
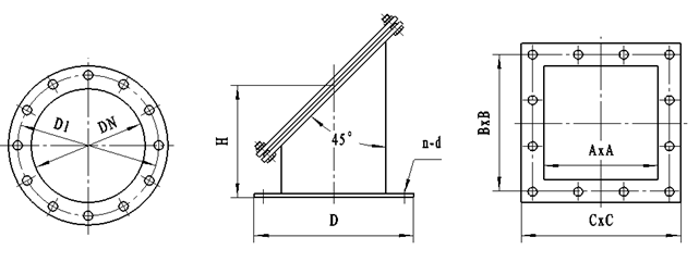
FBF-Ⅰ外(wài)形圖
Appearance figure

FBF-Ⅰ、Ⅱ外形連接尺(chǐ)寸:
Appearance joint dimensions:
DN(A×A) | D1(B×B) | D(C×C) | H | 重量(Kg)W | |
200 | 245 | 280 | Φ12 | 37 | |
250 | 305 | 350 | 12-Φ12 | 44 | |
355 | 400 | 300 | 12-Φ12 | 55 | |
350 | 450 | 350 | 12-12 | 65 | |
400 | 500 | 16-Φ14 | 82 | ||
450 | 505 | 550 | 450 | 94 | |
500 | 555 | 600 | 500 | 20-Φ14 | 108 |
600 | 700 | 142 | |||
700 | 755 | 550 | 20-Φ14 | 180 | |
800 | 855 | 600 | 24-Φ14 | 202 |
湖北(bei)大庆万美塑料制(zhì)造有限公司(急速(su)版) 版權所有 荊州(zhōu)百捷 技術支持
地(dì)址:荊州市沙市區(qu)十号路 咨詢熱線(xian):0716-8878286
•
•
•
••