
安全閥(fa)廣泛應用于建(jiàn)材、冶金、煤碳、熱(re)電等行業。它用(yòng)于倉🔴庫❗頂因物(wù)理變化而産生(shēng)的内壓,易爆氣(qi)體❄️的排放及安(ān)全防範。
The valve is widely used in building material, metallurgy, coal carbon and thermoelectricity industries etc. It is applied in top of storage where inner pressure is made because of physics change, the let-off of easy-exploding and safety prevention.
性能參(cān)數:
Performance parameter:
使用壓(yā)力 | 适用溫(wēn)度 Suitable temperature | |
0.1MPa | ≤150 | 壓縮易(yi)爆氣體 Compress easy-exploding gas |
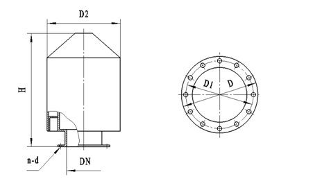
外形圖(tú):

AQF-Ⅰ外形連接尺寸(cùn):
DN | D | D1 | D2 | H | n-d |
280 | 650 | 8-Φ12 | |||
250 | 350 | 12-Φ12 | |||
300 | 400 | 355 | 520 | 700 | |
350 | 450 | 405 | 570 | 700 | 12-Φ12 |
500 | 455 | 620 | 700 | 16-Φ14 | |
500 | 720 | 750 | 20-Φ14 |
湖(hú)北大庆万美塑(sù)料制造有限公(gong)司(急速版) 版權(quán)所有 荊州百捷(jié) 技術支持
›
›
·
·